Nepovratni ventili

CHECK VALVES

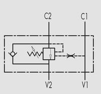
DOUBLE OVERCENTRE VALVES

CHECK VALVES

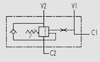
DOUBLE OVERCENTRE VALVES

CHECK VALVES

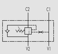
DOUBLE OVERCENTRE VALVES

CHECK VALVES

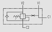
DOUBLE OVERCENTRE VALVES